AWWA FLANGES AWWA C207 FLANGES Suppliers
AWWA C207 Flanges Supplier, AWWA C207 Series A and B AWWA C207 Flanges, Alloy Steel AWWA C207 Plate Flanges, Carbon Steel AWWA C207 Flange, Manufacturer of AWWA C207 Flanges, Nickel Alloy 200 AWWA C207 Flange, AWWA C207 Flange Dimensions, MSS SP-44 AWWA C207 Flanges in Mumbai, India.
Hastelloy C22 AWWA C207 Flange, Best Price of Duplex Steel AWWA C207 Flanges, Inconel AWWA C207 Flanges, Stockholder Of AWWA C207 Flanges, Copper Nickel AWWA C207 Flanges Exporter, Alloy 20 AWWA C207 Flanges Traders in India.

Shankh Metals And Alloys Is An ISO: 9001:2008 Certified Company. We are One Of The Leading AWWA C207 Flanges Manufacturer, Suppliers & Exporter in India. We offer latest technical advancements and carry well maintained inventory ready for immediate delivery to any location. We are supplying flanges in almost everywhere India and also exporting it to countries like UK, Belgium, Saudi Arabia, Dubai, Singapore, Thailand, etc.
AWWA C207 Flange Manufacturer, Supplies Of AWWA C207 Flanges, AWWA C207 Forged Flange, AWWA C207 Flanges in Forged Steel, Stainless Steel, Carbon Steel C22.8, RST37.2, S235JR, P235GH, P245GH, P250GH, ASTM A105, F304 (1.4306), F304L(1.4307), F316(1.4404), F316L(1.4404), F321(1.4541) etc.
Stockist of Stainless Steel AWWA C207 Flanges, AWWA C207 Class 150 AWWA C207 Flange, AWWA C207 Pipe Flanges, Global Supplier of AWWA C207 Flanges, SS AWWA C207 Flange, AWWA C207 Plate Flanges Dealer in India, AWWA C207 Blind Flanges, AWWA C207 Lapped joint Flanges, AWWA C207 Threaded Flange, AWWA C207 Plate Flange Wholesaler.
Table Of Content
- Standard Specification For AWWA C207 Flanges
- Manufacturing Standards Of AWWA C207 Flangess
- Types Of AWWA C207 Flanges
- AWWA C207 Flanges Dimensions
- AWWA C207 CLASS125 LW CLASS B, D
- AWWA C207 CLASS125 LW CLASS E
- AWWA C207 CLASS B RING FLANGE
- AWWA C207 CLASS D RING FLANGE
- AWWA C207 CLASS D HUB FLANGE
- AWWA C207 CLASS E RING FLANGE
- AWWA C207 CLASS E HUB FLANGE
- AWWA C207 CLASS F RING FLANGE
- AWWA C207 Flanges Application
- Export Destinations For AWWA C207 Flanges
AWWA C207-07 Flange Manufacturer
- AWWA C207-07 Standard Steel Ring Flanges Class B
- AWWA C207-07 Standard Steel Ring Flanges Class D
- AWWA C207-07 Standard Steel Ring Flanges Class E
- AWWA C207-07 Standard Steel Ring Flanges Class F
AWWA Standard Steel Hub Flanges
- AWWA C207-07 Standard Steel Hub Flanges Class D
- AWWA C207-07 Standard Steel Hub Flanges Class E
AWWA C207-94 Flange Manufacturer
- AWWA C207-94 Standard Steel Ring Flanges Class B
- AWWA C207-94 Standard Steel Ring Flanges Class D
- AWWA C207-94 Standard Steel Ring Flanges Class E
- AWWA C207-94 Standard Steel Ring Flanges Class F
AWWA Standard Steel Hub Flanges
- AWWA C207-94 Standard Steel Hub Flanges Class D
- AWWA C207-94 Standard Steel Hub Flanges Class E
Size : 2” to 144”
Pressure Rating : Class B, Class D, Class E & Class F
Material : Forged & Plate, ASTM A105 or A181.
Flange Face : Flat Face.
Standard Specification For AWWA C207 Flanges :
- Type: slip on flange, blind flange, welded neck flange, threaded flange, lapped joint flange(loose flange), socket welded flange, Orifice Flanges, long welded neck flange
- Material: Carbon steel: A105,SS400,SF440 RST37.2,S235JRG2,P250GH,C22.8, Stainless Steel: F304 F304L F316 F316L 316Ti, Copper etc.
- Standard: ANSI/ASME B16.47 Ser.A, MSS SP-44 Flange
- Size: 26 inch to 48 inch
- Pressure: As Per MSS SP-44 Flange
- Packing: No Fumigate or Fumigate Plywood/Wood Pallet or Case
- Surface Treatment: Anti-rust Oil, Transparent/Yellow/Black Anti-rust Paint,Zinc,Hot dipped Galvanized.
- E-catalogue: Available , please visit catalogue of flange
- Usage: Oil Field, Offshore, Water System, Shipbuilding, Natural Gas, Electric Power, Pipe Projects etc.
Manufacturing Standards Of AWWA C207 Flanges :
Stainless Steel AWWA C207 Flanges :
ASTM A 182, A 240 F 304, 304L, 304H, 316, 316L, 316Ti, 310, 310S, 321, 321H, 317, 347, 347H, 904L
Duplex & Super Duplex Steel AWWA C207 Flanges :
ASTM / ASME A/SA 182 F 44, F 45, F51, F 53, F 55, F 60, F 61
Carbon Steel AWWA C207 Flanges :
ASTM / ASME A/SA 105 ASTM / ASME A 350 , ASTM A 181 LF 2 / A516 Gr.70 A36, A694 F42, F46, F52, F60, F65, F706
Low Temperature Carbon Steel AWWA C207 Flanges : ASTM A350, LF2, LF3
Alloy Steel AWWA C207 Flanges :
ASTM / ASME A/SA 182 & A 387 F1, F5, F9, F11, F12, F22, F91
Copper Alloy Steel AWWA C207 Flanges : ASTM SB 61 , SB62 , SB151 , SB152 UNS No. C 70600 (Cu-Ni 90/10), C 71500 (Cu-Ni 70/30), UNS No. C 10100, 10200, 10300, 10800, 12000, 12200
Nickel Alloy AWWA C207 Flanges :
ASTM SB564, SB160, SB472, SB162 Nickel 200 (UNS No. N02200), Nickel 201 (UNS No. N02201), Monel 400 (UNS No. N04400), Monel 500 (UNS No. N05500), Inconel 800 (UNS No. N08800), Inconel 825 (UNS No. N08825), Inconel 600 (UNS No. N06600), Inconel 625 (UNS No. N06625), Inconel 601 (UNS No. N06601), Hastelloy C 276 (UNS No. N10276), Alloy 20 (UNS No. N08020)
Types Of AWWA C207 Flanges :
| AWWA C207 Forged Flanges | AWWA C207 High Hub Blinds Flanges |
| AWWA C207 Blind Flanges | AWWA C207 Spectacle Blinds Flanges |
| AWWA C207 Reducing Flanges | AWWA C207 Loose Flanges |
| AWWA C207 Orifice Flanges | AWWA C207 RTJ Flanges |
| AWWA C207 Socket Weld Flanges | AWWA C207 Screwed Flanges |
| AWWA C207 Slip On Flanges | AWWA C207 Weld Neck Flanges |
| AWWA C207 Flat Flanges | AWWA C207 Flange Facing Type & Finish |
| AWWA C207 Lapped Joint Flanges | AWWA C207 SORF Flanges |
| AWWA C207 SWRF Flanges | AWWA C207 Groove & Tongue Flanges |
| AWWA C207 Square Flanges | AWWA C207 Long Neck Weld Flanges |
| AWWA C207 Threaded Flanges | AWWA C207 Spades Ring Spacers Flanges |
| AWWA C207 Weld Neck Flanges Series A or B | AWWA C207 Ring Type Joint Flanges |
| AWWA C207 WNRF Flanges | AWWA C207 Weldo / Nipo Flanges |
| AWWA C207 Expander Flanges |
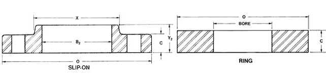
AWWA C207 Flange, AWWA C207 6A Flange Dimensions
| standard No. | size | PN | Type | Material |
| AWWA C207 | 4"–144" | Class B,D,E,F T/1 | PL | A105,A181 A36, |
Dimensions & Masses of AWWA C207 Flange Class 125LW Class B, D


AWWA C207 Class 125 LW Class E Flange


Dimensions & Approximate Masses of C207 Class B Ring Flange (86 psi*)

Nom Size |
Thickness |
Drilling |
Weight |
||||||
OD |
Slip-On |
Blind |
Bore |
Bolt Circle |
Hole Dia |
No. Holes |
Slip-on |
Blind |
|
A |
T |
T |
B |
C |
|||||
4 |
9.00 |
0.625 |
0.625 |
4.57 |
7.50 |
0.750 |
8 |
8 |
11 |
5 |
10.00 |
0.625 |
0.625 |
5.66 |
8.50 |
0.875 |
8 |
9 |
14 |
6 |
11.00 |
0.688 |
0.688 |
6.72 |
9.50 |
0.875 |
8 |
11 |
19 |
8 |
13.50 |
0.688 |
0.688 |
8.72 |
11.75 |
0.875 |
8 |
15 |
28 |
10 |
16.00 |
0.688 |
0.688 |
10.88 |
14.25 |
1.000 |
12 |
19 |
39 |
12 |
19.00 |
0.688 |
0.719 |
12.88 |
17.00 |
1.000 |
12 |
28 |
58 |
14 |
21.00 |
0.688 |
0.791 |
14.19 |
18.75 |
1.125 |
12 |
34 |
78 |
16 |
23.50 |
0.688 |
0.892 |
16.19 |
21.25 |
1.125 |
16 |
41 |
110 |
18 |
25.00 |
0.688 |
0.950 |
18.19 |
22.75 |
1.250 |
16 |
41 |
132 |
20 |
27.50 |
0.688 |
1.040 |
20.19 |
25.00 |
1.250 |
20 |
49 |
175 |
22 |
29.50 |
0.750 |
1.132 |
22.19 |
27.25 |
1.375 |
20 |
57 |
219 |
24 |
32.00 |
0.750 |
1.216 |
24.19 |
29.50 |
1.375 |
20 |
67 |
277 |
26 |
34.25 |
0.812 |
1.307 |
26.19 |
31.75 |
1.375 |
24 |
80 |
341 |
28 |
36.50 |
0.875 |
1.398 |
28.19 |
34.00 |
1.375 |
28 |
94 |
414 |
30 |
38.75 |
0.875 |
1.477 |
30.19 |
36.00 |
1.375 |
28 |
105 |
493 |
32 |
41.75 |
0.936 |
1.581 |
32.19 |
38.50 |
1.625 |
28 |
132 |
613 |
34 |
43.75 |
0.938 |
1.661 |
34.19 |
40.50 |
1.625 |
32 |
137 |
707 |
36 |
46.00 |
1.000 |
1.751 |
36.19 |
42.75 |
1.625 |
32 |
161 |
824 |
38 |
48.75 |
1.000 |
1.853 |
38.19 |
45.25 |
1.625 |
32 |
185 |
980 |
40 |
50.75 |
1.000 |
1.933 |
40.19 |
47.25 |
1.625 |
36 |
193 |
1108 |
42 |
53.00 |
1.125 |
2.023 |
42.19 |
49.50 |
1.625 |
36 |
234 |
1264 |
44 |
55.25 |
1.125 |
2.114 |
44.19 |
51.75 |
1.625 |
40 |
249 |
1436 |
46 |
57.25 |
1.125 |
2.194 |
46.19 |
53.75 |
1.625 |
40 |
260 |
1600 |
48 |
59.50 |
1.250 |
2.285 |
48.19 |
56.00 |
1.625 |
44 |
306 |
1800 |
50 |
61.75 |
1.250 |
2.377 |
50.19 |
58.25 |
1.875 |
44 |
317 |
2017 |
52 |
64.00 |
1.250 |
2.468 |
52.19 |
60.50 |
1.875 |
44 |
339 |
2249 |
54 |
66.25 |
1.375 |
2.559 |
54.19 |
62.75 |
1.875 |
44 |
397 |
2499 |
60 |
73.00 |
1.500 |
2.820 |
60.19 |
69.25 |
1.875 |
52 |
508 |
3344 |
66 |
80.00 |
1.625 |
3.092 |
66.19 |
76.00 |
1.875 |
52 |
664 |
4403 |
72 |
86.50 |
1.750 |
3.353 |
72.19 |
82.50 |
1.875 |
60 |
802 |
5582 |
78 |
93.00 |
2.000 |
…….. |
78.19 |
89.00 |
2.125 |
64 |
1000 |
…….. |
84 |
99.75 |
2.000 |
…….. |
84.19 |
95.50 |
2.125 |
64 |
1145 |
…….. |
90 |
106.50 |
2.250 |
…….. |
90.19 |
102.00 |
2.438 |
68 |
1404 |
…….. |
96 |
113.25 |
2.250 |
…….. |
96.19 |
108.50 |
2.438 |
68 |
1586 |
…….. |
102 |
120.00 |
2.500 |
…….. |
102.19 |
114.50 |
2.688 |
72 |
1912 |
…….. |
108 |
126.75 |
2.500 |
…….. |
108.19 |
120.75 |
2.688 |
72 |
2136 |
…….. |
114 |
133.50 |
2.750 |
…….. |
114.19 |
126.75 |
2.938 |
76 |
2525 |
…….. |
120 |
140.25 |
2.750 |
…….. |
120.19 |
132.75 |
2.938 |
76 |
2795 |
…….. |
126 |
147.00 |
3.000 |
…….. |
126.19 |
139.25 |
3.188 |
80 |
3252 |
…….. |
132 |
153.75 |
3.000 |
…….. |
132.19 |
145.75 |
3.188 |
80 |
3572 |
…….. |
138 |
160.50 |
3.250 |
…….. |
138.19 |
152.00 |
3.438 |
84 |
4101 |
…….. |
144 |
167.25 |
3.250 |
…….. |
144.19 |
158.25 |
3.438 |
84 |
4475 |
…….. |
Dimensions are in inches. Weights are in pounds.
Note: *Pressure rating at atmospheric temperature is 86 psi. These flanges have the same OD and drilling as ANSI/ASME B16.1 class 125 cast-iron flanges. In sizes 24in. and smaller, they also match ANSI/ASME B16.5 150-psi standard for steel flanges.

Nom Size |
Thickness |
Drilling |
Weight |
||||||
OD |
Slip-On |
Blind |
Bore |
Bolt Circle |
Hole Dia |
No Holes |
Slip-on |
Blind |
|
A |
T |
T |
B |
C |
|||||
4 |
9.00 |
0.625 |
0.625 |
4.57 |
7.50 |
0.750 |
8 |
8 |
11 |
5 |
10.00 |
0.625 |
0.650 |
5.66 |
8.50 |
0.875 |
8 |
9 |
14 |
6 |
11.00 |
0.688 |
0.693 |
6.72 |
9.50 |
0.875 |
8 |
11 |
19 |
8 |
13.50 |
0.688 |
0.812 |
8.72 |
11.75 |
0.875 |
8 |
15 |
33 |
10 |
16.00 |
0.688 |
0.953 |
10.88 |
14.25 |
1.000 |
12 |
19 |
54 |
12 |
19.00 |
0.812 |
1.117 |
12.88 |
17.00 |
1.000 |
12 |
33 |
90 |
14 |
21.00 |
0.938 |
1.133 |
14.19 |
18.75 |
1.125 |
12 |
47 |
111 |
16 |
23.50 |
1.000 |
1.265 |
16.19 |
21.25 |
1.125 |
16 |
60 |
155 |
18 |
25.00 |
1.062 |
1.331 |
18.19 |
22.75 |
1.250 |
16 |
64 |
185 |
20 |
27.50 |
1.125 |
1.448 |
20.19 |
25.00 |
1.250 |
20 |
79 |
244 |
22 |
29.50 |
1.188 |
1.568 |
22.19 |
27.25 |
1.375 |
20 |
90 |
304 |
24 |
32.00 |
1.250 |
1.661 |
24.19 |
29.50 |
1.375 |
20 |
112 |
378 |
26 |
34.25 |
1.312 |
1.786 |
26.19 |
31.75 |
1.375 |
24 |
129 |
466 |
28 |
36.50 |
1.312 |
1.906 |
28.19 |
34.00 |
1.375 |
28 |
141 |
565 |
30 |
38.75 |
1.375 |
2.008 |
30.19 |
36.00 |
1.375 |
28 |
164 |
671 |
32 |
41.75 |
1.500 |
2.150 |
32.19 |
38.50 |
1.625 |
28 |
211 |
834 |
34 |
43.75 |
1.500 |
2.252 |
34.19 |
40.50 |
1.625 |
32 |
220 |
959 |
36 |
46.00 |
1.625 |
2.370 |
36.19 |
42.75 |
1.625 |
32 |
261 |
1116 |
38 |
48.75 |
1.625 |
2.506 |
38.19 |
45.25 |
1.625 |
32 |
301 |
1325 |
40 |
50.75 |
1.625 |
2.609 |
40.19 |
47.25 |
1.625 |
36 |
313 |
1438 |
42 |
53.00 |
1.750 |
2.729 |
42.19 |
49.50 |
1.625 |
36 |
364 |
1706 |
44 |
55.25 |
1.750 |
2.849 |
44.19 |
51.75 |
1.625 |
40 |
387 |
1935 |
46 |
57.25 |
1.750 |
2.952 |
46.19 |
53.75 |
1.625 |
40 |
404 |
2153 |
48 |
59.50 |
1.875 |
3.072 |
48.19 |
56.00 |
1.625 |
44 |
460 |
2420 |
50 |
61.75 |
2.000 |
3.196 |
50.19 |
58.25 |
1.875 |
44 |
507 |
2712 |
52 |
64.00 |
2.000 |
3.315 |
52.19 |
60.50 |
1.875 |
44 |
542 |
3021 |
54 |
66.25 |
2.125 |
3.435 |
54.19 |
62.75 |
1.875 |
44 |
614 |
3355 |
60 |
73.00 |
2.250 |
3.779 |
60.19 |
69.25 |
1.875 |
52 |
763 |
4481 |
66 |
80.00 |
2.500 |
4.136 |
66.19 |
76.00 |
1.875 |
52 |
1021 |
5890 |
72 |
86.50 |
2.625 |
4.480 |
72.19 |
82.50 |
1.875 |
60 |
1203 |
7458 |
78 |
93.00 |
2.750 |
…….. |
78.19 |
89.00 |
2.125 |
64 |
1374 |
…….. |
84 |
99.75 |
2.875 |
…….. |
84.19 |
95.50 |
2.125 |
64 |
1646 |
…….. |
90 |
106.50 |
3.000 |
…….. |
90.19 |
102.00 |
2.438 |
68 |
1872 |
…….. |
96 |
113.25 |
3.250 |
…….. |
96.19 |
108.50 |
2.438 |
68 |
2291 |
…….. |
102 |
120.00 |
3.250 |
…….. |
102.19 |
114.50 |
2.688 |
72 |
2485 |
……. |
108 |
126.75 |
3.375 |
…….. |
108.19 |
120.75 |
2.688 |
72 |
2884 |
…….. |
114 |
133.50 |
3.500 |
…….. |
114.19 |
126.75 |
2.938 |
76 |
3214 |
…….. |
120 |
140.25 |
3.500 |
…….. |
120.19 |
132.75 |
2.938 |
76 |
3558 |
…….. |
126 |
147.00 |
3.750 |
…….. |
126.19 |
139.25 |
3.188 |
80 |
4065 |
…….. |
132 |
153.75 |
3.875 |
…….. |
132.19 |
145.75 |
3.188 |
80 |
4614 |
……. |
138 |
160.50 |
4.000 |
…….. |
138.19 |
152.00 |
3.438 |
84 |
5047 |
…….. |
144 |
167.25 |
4.125 |
…….. |
144.19 |
158.25 |
3.438 |
84 |
5680 |
…….. |
Dimensions are in inches. Weights are in pounds.
Note: *Pressure rating at atmospheric temperature: sizes 4-12 in. inclusive, 175 psi; sizes larger than 12 in., 150 psi. These flanges have the same OD and drilling as ANSI/ASME B16.1 class 125 cast-iron flanges. In sizes 24in. and smaller, they also match ANSI/ASME B16.5 150-psi standard for steel flanges.
Dimensions & Approx Masses of C207 Class D Hub Flange (175-150 psi*)

Nom Size |
Drilling |
||||||||
OD |
Thickness |
Overall Thickness |
Dia at Base |
Bore |
Bolt Circle |
Hole Dia |
No. Holes |
Weight |
|
A |
T |
L |
E |
B |
C |
||||
4 |
9.00 |
0.500 |
0.875 |
5.312 |
4.57 |
7.50 |
0.750 |
8 |
7 |
5 |
10.00 |
0.562 |
1.250 |
6.312 |
5.66 |
8.50 |
0.875 |
8 |
9 |
6 |
11.00 |
0.562 |
1.250 |
7.562 |
6.72 |
9.50 |
0.875 |
8 |
11 |
8 |
13.50 |
0.562 |
1.250 |
9.688 |
8.72 |
11.75 |
0.875 |
8 |
15 |
10 |
16.00 |
0.688 |
1.250 |
12.000 |
10.88 |
14.25 |
1.000 |
12 |
22 |
12 |
19.00 |
0.688 |
1.250 |
14.375 |
12.88 |
17.00 |
1.000 |
12 |
33 |
14 |
21.00 |
0.750 |
1.250 |
15.750 |
14.19 |
18.75 |
1.125 |
12 |
43 |
16 |
23.50 |
0.750 |
1.250 |
18.000 |
16.19 |
21.25 |
1.125 |
16 |
52 |
18 |
25.00 |
0.750 |
1.250 |
19.875 |
18.19 |
22.75 |
1.250 |
16 |
52 |
20 |
27.50 |
0.750 |
1.250 |
22.000 |
20.19 |
25.00 |
1.250 |
20 |
61 |
22 |
29.50 |
1.000 |
1.750 |
24.250 |
22.19 |
27.25 |
1.375 |
20 |
92 |
24 |
32.00 |
1.000 |
1.750 |
26.125 |
24.19 |
29.50 |
1.375 |
20 |
105 |
26 |
34.25 |
1.000 |
1.750 |
28.500 |
26.19 |
31.75 |
1.375 |
24 |
119 |
28 |
36.50 |
1.000 |
1.750 |
30.500 |
28.19 |
34.00 |
1.375 |
28 |
130 |
30 |
38.75 |
1.000 |
1.750 |
32.500 |
30.19 |
36.00 |
1.375 |
28 |
144 |
32 |
41.75 |
1.125 |
1.750 |
34.750 |
32.19 |
38.50 |
1.625 |
28 |
182 |
34 |
43.75 |
1.125 |
1.750 |
36.750 |
34.19 |
40.50 |
1.625 |
32 |
191 |
36 |
46.00 |
1.125 |
1.750 |
38.750 |
36.19 |
42.75 |
1.625 |
32 |
207 |
38 |
48.75 |
1.125 |
1.750 |
40.750 |
38.19 |
45.25 |
1.625 |
32 |
237 |
40 |
50.75 |
1.125 |
1.750 |
43.000 |
40.19 |
47.25 |
1.625 |
36 |
249 |
42 |
53.00 |
1.250 |
1.750 |
45.000 |
42.19 |
49.50 |
1.625 |
36 |
287 |
44 |
55.25 |
1.250 |
2.250 |
47.000 |
44.19 |
51.75 |
1.625 |
40 |
334 |
46 |
57.25 |
1.250 |
2.250 |
49.000 |
46.19 |
53.75 |
1.625 |
40 |
348 |
48 |
59.50 |
1.375 |
2.500 |
51.000 |
48.19 |
56.00 |
1.625 |
44 |
407 |
50 |
61.75 |
1.375 |
2.500 |
53.000 |
50.19 |
58.25 |
1.875 |
44 |
421 |
52 |
64.00 |
1.375 |
2.500 |
55.000 |
52.19 |
60.50 |
1.875 |
44 |
448 |
54 |
66.25 |
1.375 |
2.500 |
57.000 |
54.19 |
62.75 |
1.875 |
44 |
475 |
60 |
73.00 |
1.500 |
2.750 |
63.000 |
60.19 |
69.25 |
1.875 |
52 |
605 |
66 |
80.00 |
1.500 |
2.750 |
69.000 |
66.19 |
76.00 |
1.875 |
52 |
718 |
72 |
86.50 |
1.500 |
2.750 |
75.000 |
72.19 |
82.50 |
1.875 |
60 |
803 |
78 |
93.00 |
1.750 |
3.000 |
81.250 |
78.19 |
89.00 |
2.125 |
64 |
1010 |
84 |
99.75 |
1.750 |
3.000 |
87.500 |
84.19 |
95.50 |
2.125 |
64 |
1160 |
90 |
106.50 |
2.000 |
3.250 |
93.750 |
90.19 |
102.00 |
2.438 |
68 |
1430 |
96 |
113.25 |
2.000 |
3.250 |
100.000 |
96.19 |
108.50 |
2.438 |
68 |
1618 |
Dimensions are in inches. Weights are in pounds.
Note: Hub flanges are to be used on pipe that has an OD equal to the nominal pipe size in the first column. *Pressure rating at atmospheric temperature: sizes 4-12 in. inclusive, 175 psi; sizes larger than 12 in., 150 psi. These flanges have the same OD and drilling as ANSI/ASME B16.1 class 125 cast-iron flanges. In sizes 24in. and smaller, they also match ANSI/ASME B16.5 150-psi standard for steel flanges.
Dimensions & Approx Masses of Class E Steel Ring Flange (275 psi*)

Nom Size |
Thickness |
Drilling |
Weight |
||||||
OD |
Slip-On |
Blind |
Bore |
Bolt Circle |
Hole Dia |
No. Holes |
Slip-on |
Blind |
|
A |
T |
T |
B |
C |
|||||
4 |
9.00 |
1.125 |
1.125 |
4.57 |
7.50 |
0.750 |
8 |
14 |
20 |
5 |
10.00 |
1.188 |
1.188 |
5.66 |
8.50 |
0.875 |
8 |
16 |
26 |
6 |
11.00 |
1.313 |
1.313 |
6.72 |
9.50 |
0.875 |
8 |
20 |
35 |
8 |
13.50 |
1.500 |
1.500 |
8.72 |
11.75 |
0.875 |
8 |
33 |
61 |
10 |
16.00 |
1.563 |
1.563 |
10.88 |
14.25 |
1.000 |
12 |
44 |
89 |
12 |
19.00 |
1.750 |
1.750 |
12.88 |
17.00 |
1.000 |
12 |
71 |
141 |
14 |
21.00 |
1.875 |
1.875 |
14.19 |
18.75 |
1.125 |
12 |
94 |
184 |
16 |
23.50 |
2.000 |
2.000 |
16.19 |
21.25 |
1.125 |
16 |
120 |
246 |
18 |
25.00 |
2.125 |
2.125 |
18.19 |
22.75 |
1.250 |
16 |
127 |
296 |
20 |
27.50 |
2.375 |
2.375 |
20.19 |
25.00 |
1.250 |
20 |
168 |
400 |
22 |
29.50 |
2.500 |
2.500 |
22.19 |
27.25 |
1.375 |
20 |
189 |
484 |
24 |
32.00 |
2.625 |
2.625 |
24.19 |
29.50 |
1.375 |
20 |
234 |
598 |
26 |
34.25 |
2.750 |
2.750 |
26.19 |
31.75 |
1.375 |
24 |
270 |
718 |
28 |
36.50 |
2.750 |
2.750 |
28.19 |
34.00 |
1.375 |
28 |
297 |
815 |
30 |
38.75 |
2.875 |
2.875 |
30.19 |
36.00 |
1.375 |
28 |
344 |
961 |
32 |
41.75 |
3.000 |
3.000 |
32.19 |
38.50 |
1.625 |
28 |
422 |
1163 |
34 |
43.75 |
3.000 |
3.050 |
34.19 |
40.50 |
1.625 |
32 |
441 |
1299 |
36 |
46.00 |
3.125 |
3.209 |
36.19 |
42.75 |
1.625 |
32 |
502 |
1511 |
38 |
48.75 |
3.125 |
3.394 |
38.19 |
45.25 |
1.625 |
32 |
580 |
1795 |
40 |
50.75 |
3.250 |
3.533 |
40.19 |
47.25 |
1.625 |
36 |
626 |
2025 |
42 |
53.00 |
3.375 |
3.695 |
42.19 |
49.50 |
1.625 |
36 |
701 |
2309 |
44 |
55.25 |
3.375 |
3.857 |
44.19 |
51.75 |
1.625 |
40 |
747 |
2715 |
46 |
57.25 |
3.438 |
3.997 |
46.19 |
53.75 |
1.625 |
40 |
794 |
2813 |
48 |
59.50 |
3.500 |
4.159 |
48.19 |
56.00 |
1.625 |
44 |
858 |
3276 |
50 |
61.75 |
3.500 |
4.327 |
50.19 |
58.25 |
1.875 |
44 |
887 |
3671 |
52 |
64.00 |
3.625 |
4.489 |
52.19 |
60.50 |
1.875 |
44 |
982 |
4091 |
54 |
66.25 |
3.750 |
4.651 |
54.19 |
62.75 |
1.875 |
44 |
1083 |
4542 |
60 |
73.00 |
3.875 |
5.116 |
60.19 |
69.25 |
1.875 |
52 |
1313 |
6066 |
66 |
80.00 |
4.250 |
5.601 |
66.19 |
76.00 |
1.875 |
52 |
1736 |
7976 |
72 |
86.50 |
4.375 |
6.066 |
72.19 |
82.50 |
1.875 |
60 |
2005 |
10099 |
78 |
93.00 |
4.750 |
…….. |
78.19 |
89.00 |
2.125 |
64 |
2374 |
…….. |
84 |
99.75 |
4.750 |
…….. |
84.19 |
95.50 |
2.125 |
64 |
2719 |
…….. |
90 |
106.50 |
5.125 |
…….. |
90.19 |
102.00 |
2.438 |
68 |
3197 |
…….. |
96 |
113.25 |
5.125 |
…….. |
96.19 |
108.50 |
2.438 |
68 |
3613 |
…….. |
102 |
120.00 |
5.500 |
…….. |
102.19 |
114.50 |
2.688 |
72 |
4206 |
…….. |
108 |
126.75 |
5.500 |
…….. |
108.19 |
120.75 |
2.688 |
72 |
4700 |
…….. |
114 |
133.50 |
5.875 |
…….. |
114.19 |
126.75 |
2.938 |
76 |
5395 |
…….. |
120 |
140.25 |
5.875 |
…….. |
120.19 |
132.75 |
2.938 |
76 |
5972 |
…….. |
126 |
147.00 |
6.250 |
…….. |
126.19 |
139.25 |
3.188 |
80 |
6775 |
…….. |
132 |
153.75 |
6.250 |
…….. |
132.19 |
145.75 |
3.188 |
80 |
7442 |
…….. |
138 |
160.50 |
6.750 |
…….. |
138.19 |
152.00 |
3.438 |
84 |
8517 |
…….. |
144 |
167.25 |
6.750 |
…….. |
144.19 |
158.25 |
3.438 |
84 |
9295 |
…….. |
Dimensions are in inches. Weights are in pounds.
Note: *Pressure rating at atmospheric temperature is 275 psi. These flanges have the same OD and drilling as ANSI/ASME B16.1 class 125 cast-iron flanges. In sizes 24in. and smaller, they also match ANSI/ASME B16.5 150-psi standard for steel flanges.
Dimensions & Approx Masses of C207 Class E Hub Flange (275 psi*)

Nom Size |
Drilling |
||||||||
OD |
Thickness |
Overall Thickness |
Dia at Base |
Bore |
Bolt Circle |
Hole Dia |
No. Holes |
Weight |
|
A |
T |
L |
E |
B |
C |
||||
4 |
9.00 |
0.938 |
1.312 |
5.312 |
4.57 |
7.50 |
0.750 |
8 |
13 |
5 |
10.00 |
0.938 |
1.438 |
6.438 |
5.66 |
8.50 |
0.875 |
8 |
14 |
6 |
11.00 |
1.000 |
1.562 |
7.562 |
6.72 |
9.50 |
0.875 |
8 |
17 |
8 |
13.50 |
1.125 |
1.750 |
9.688 |
8.72 |
11.75 |
0.875 |
8 |
28 |
10 |
16.00 |
1.188 |
1.938 |
12.000 |
10.88 |
14.25 |
1.000 |
12 |
37 |
12 |
19.00 |
1.250 |
2.188 |
14.375 |
12.88 |
17.00 |
1.000 |
12 |
59 |
14 |
21.00 |
1.375 |
2.250 |
15.750 |
14.19 |
18.75 |
1.125 |
12 |
78 |
16 |
23.50 |
1.438 |
2.500 |
18.000 |
16.19 |
21.25 |
1.125 |
16 |
101 |
18 |
25.00 |
1.562 |
2.688 |
19.875 |
18.19 |
22.75 |
1.250 |
16 |
110 |
20 |
27.50 |
1.688 |
2.875 |
22.000 |
20.19 |
25.00 |
1.250 |
20 |
139 |
22 |
29.50 |
1.812 |
3.125 |
24.000 |
22.19 |
27.25 |
1.375 |
20 |
162 |
24 |
32.00 |
1.875 |
3.250 |
26.125 |
24.19 |
29.50 |
1.375 |
20 |
197 |
26 |
34.25 |
2.000 |
3.375 |
28.500 |
26.19 |
31.75 |
1.375 |
24 |
235 |
28 |
36.50 |
2.062 |
3.438 |
30.750 |
28.19 |
34.00 |
1.375 |
28 |
269 |
30 |
38.75 |
2.125 |
3.500 |
32.750 |
30.19 |
36.00 |
1.375 |
28 |
303 |
32 |
41.75 |
2.250 |
3.625 |
35.000 |
32.19 |
38.50 |
1.625 |
28 |
375 |
34 |
43.75 |
2.312 |
3.688 |
37.000 |
34.19 |
40.50 |
1.625 |
32 |
401 |
36 |
46.00 |
2.375 |
3.750 |
39.250 |
36.19 |
42.75 |
1.625 |
32 |
452 |
38 |
48.75 |
2.375 |
3.750 |
41.750 |
38.19 |
45.25 |
1.625 |
32 |
528 |
40 |
50.75 |
2.500 |
3.875 |
43.750 |
40.19 |
47.25 |
1.625 |
36 |
573 |
42 |
53.00 |
2.625 |
4.000 |
46.000 |
42.19 |
49.50 |
1.625 |
36 |
648 |
44 |
55.25 |
2.625 |
4.000 |
48.000 |
44.19 |
51.75 |
1.625 |
40 |
688 |
46 |
57.25 |
2.688 |
4.062 |
50.000 |
46.19 |
53.75 |
1.625 |
40 |
733 |
48 |
59.50 |
2.750 |
4.125 |
52.250 |
48.19 |
56.00 |
1.625 |
44 |
799 |
50 |
61.75 |
2.750 |
4.125 |
54.250 |
50.19 |
58.25 |
1.875 |
44 |
827 |
52 |
64.00 |
2.875 |
4.250 |
56.500 |
52.19 |
60.50 |
1.875 |
44 |
922 |
54 |
66.25 |
3.000 |
4.375 |
58.750 |
54.19 |
62.75 |
1.875 |
44 |
1024 |
60 |
73.00 |
3.125 |
4.500 |
65.250 |
60.19 |
69.25 |
1.875 |
52 |
1253 |
66 |
80.00 |
3.375 |
4.875 |
71.500 |
66.19 |
76.00 |
1.875 |
52 |
1623 |
72 |
86.50 |
3.500 |
5.000 |
78.500 |
72.19 |
82.50 |
1.875 |
60 |
1922 |
78 |
93.00 |
3.875 |
5.375 |
84.500 |
78.19 |
89.00 |
2.125 |
64 |
2279 |
84 |
99.75 |
3.875 |
5.375 |
90.500 |
84.19 |
95.50 |
2.125 |
64 |
2586 |
90 |
106.50 |
4.250 |
5.750 |
96.750 |
90.19 |
102.00 |
2.438 |
68 |
3061 |
96 |
113.25 |
4.250 |
5.750 |
102.750 |
96.19 |
108.50 |
2.438 |
68 |
3432 |
Dimensions are in inches. Weights are in pounds.
Note: Hub flanges are to be used on pipe that has an OD equal to the nominal pipe size in the first column. *Pressure rating at atmospheric temperature is 275 psi. These flanges have the same OD and drilling as ANSI/ASME B16.1 class 125 cast-iron flanges. In sizes 24in. and smaller, they also match ANSI/ASME B16.5 class 150 standard for steel flanges. The thickness of a class 150 flange from which the raised face has been removed shall be no less than dimension T minus 0.06 in.
Dimensions & Approx Masses of C207 Class F Ring Flange (300 psi*)

Nom Size |
Thickness |
Drilling |
Weight |
||||||
OD |
Slip-On |
Blind |
Bore |
Bolt Circle |
Hole Dia |
No. Holes |
Slip-on |
Blind |
|
A |
T |
T |
B |
C |
|||||
4 |
10.00 |
1.130 |
1.130 |
4.57 |
7.88 |
0.875 |
8 |
18 |
25 |
5 |
11.00 |
1.210 |
1.210 |
5.66 |
9.25 |
0.875 |
8 |
22 |
33 |
6 |
12.50 |
1.310 |
1.310 |
6.73 |
10.62 |
0.875 |
12 |
30 |
46 |
8 |
15.00 |
1.310 |
1.310 |
8.73 |
13.00 |
1.000 |
12 |
40 |
66 |
10 |
17.50 |
1.500 |
1.500 |
10.88 |
15.25 |
1.125 |
16 |
56 |
102 |
12 |
20.50 |
1.630 |
1.630 |
12.88 |
17.75 |
1.250 |
16 |
83 |
152 |
14 |
23.00 |
1.940 |
1.940 |
14.19 |
20.25 |
1.250 |
20 |
128 |
228 |
16 |
25.50 |
2.140 |
2.140 |
16.19 |
22.50 |
1.375 |
20 |
167 |
310 |
18 |
28.00 |
2.250 |
2.250 |
18.19 |
24.75 |
1.375 |
24 |
204 |
392 |
20 |
30.50 |
2.330 |
2.330 |
20.19 |
27.00 |
1.375 |
24 |
247 |
482 |
22 |
33.00 |
2.500 |
2.500 |
22.19 |
29.25 |
1.375 |
24 |
307 |
606 |
24 |
36.00 |
2.690 |
2.690 |
24.19 |
32.00 |
1.625 |
24 |
388 |
776 |
26 |
38.25 |
3.000 |
3.000 |
26.19 |
34.50 |
1.875 |
28 |
451 |
977 |
28 |
40.75 |
3.130 |
3.130 |
28.19 |
37.00 |
1.875 |
28 |
532 |
1156 |
30 |
43.00 |
3.150 |
3.166 |
30.19 |
39.25 |
1.875 |
28 |
586 |
1303 |
32 |
45.25 |
3.250 |
3.332 |
32.19 |
41.50 |
1.875 |
28 |
657 |
1518 |
34 |
47.50 |
3.380 |
3.475 |
34.19 |
43.50 |
1.875 |
28 |
741 |
1745 |
36 |
50.00 |
3.460 |
3.671 |
36.19 |
46.00 |
2.125 |
32 |
802 |
2042 |
38 |
52.25 |
3.500 |
3.815 |
38.19 |
48.00 |
2.125 |
32 |
874 |
2317 |
40 |
54.25 |
3.630 |
3.982 |
40.19 |
50.25 |
2.125 |
36 |
937 |
2608 |
42 |
57.00 |
3.810 |
4.171 |
42.19 |
52.75 |
2.125 |
36 |
1103 |
3015 |
44 |
59.25 |
4.000 |
4.338 |
44.19 |
55.00 |
2.125 |
36 |
1237 |
3388 |
46 |
61.50 |
4.130 |
4.505 |
46.19 |
57.25 |
2.125 |
40 |
1344 |
3791 |
48 |
65.00 |
4.500 |
4.781 |
48.19 |
60.75 |
2.125 |
40 |
1718 |
4494 |
Dimensions are in inches. Weights are in pounds.
Note: *Pressure rating at atmospheric temperature is 300 psi. These flanges have the same OD and drilling as ANSI/ASME B16.1 class 250 cast-iron pipe and flanged fittings.
AWWA C207 Flanges Application :
|
|
