SABS / SANS 1123 FLANGE Suppliers

SABS / SANS 1123 Flanges Supplier, SABS / SANS 1123 Series A and B SABS / SANS 1123 Flanges, Alloy Steel SABS / SANS 1123 Plate Flanges, Carbon Steel SABS / SANS 1123 Flange, Manufacturer of SABS / SANS 1123 Flanges, Nickel Alloy 200 SABS / SANS 1123 Flange, SABS / SANS 1123 Flange Dimensions, MSS SP-44 SABS / SANS 1123 Flanges in Mumbai, India.

Hastelloy C22 SABS / SANS 1123 Flange, Best Price of Duplex Steel SABS / SANS 1123 Flanges, Inconel SABS / SANS 1123 PN40 Flanges, Stockholder Of PN6 SABS / SANS 1123 Flanges, Copper Nickel SABS / SANS 1123 Flanges Exporter, Alloy 20 SABS / SANS 1123 Flanges Traders in India.

SABS / SANS 1123 Flanges Manufacturer

Shankh Metals And Alloys Is An ISO: 9001:2008 Certified Company. We are One Of The Leading SABS / SANS 1123 Flanges Manufacturer, Suppliers & Exporter in India. We offer latest technical advancements and carry well maintained inventory ready for immediate delivery to any location. We are supplying flanges in almost everywhere India and also exporting it to countries like UK, Belgium, Saudi Arabia, Dubai, Singapore, Thailand, etc.

SABS / SANS 1123 Flange Manufacturer, Supplies Of SABS / SANS 1123 Flanges, SABS / SANS 1123 Forged Flange, SABS / SANS 1123 Flanges in Forged Steel, Stainless Steel, Carbon Steel C22.8, RST37.2, S235JR, P235GH, P245GH, P250GH, ASTM A105, ASTM A182 F304 (1.4306), F304L(1.4307), F316(1.4404), F316L(1.4404), F321(1.4541) etc.

British Standard SABS / SANS 1123 : 1962 – Specification for Flanges and Bolting for Pipes, Valves, and Fittings. This covers plain, boss, integrally cast or forged, and welding neck type flanges, in ten tables. Although SABS / SANS 1123 is obsolescent, it remains in use for the dimensions of light duty, economy stainless steel flanges in applications where corrosion resistance and/or hygiene, rather than high pressures and temperatures, are the primary considerations. The following tables detail the applicable standard dimensions from Tables D, E, F and H of SABS / SANS 1123.

Stockist of Stainless Steel SABS / SANS 1123 PN6 Flanges, SABS / SANS 1123 Class 150 SABS / SANS 1123 Flange, SABS / SANS 1123 Pipe Flanges, Global Supplier of SABS / SANS 1123 Flanges, ASTM A182 SS SABS / SANS 1123 Flange, SABS / SANS 1123 Plate Flanges Dealer in India, SABS / SANS 1123 Blind Flanges, SABS / SANS 1123 Lapped joint Flanges, SABS / SANS 1123 Threaded Flange, SABS / SANS 1123 Plate Flange Wholesaler.



Standard Specification For SABS / SANS 1123 Flanges :

BS flange is a flange system from England, which have flange type including Welding neck Flanges, Plate Slip-on Flanges, Screwed Boss Flanges, Slip on Boss Flanges, slip on flange, blind flange, welded neck flange, threaded flange, lapped joint flange (loose flange), socket welded flange, Orifice Flanges, long weld neck flange and special flangeetc., pressure grade from PN 2.4 to PN 40, Size from 1/2" NB TO 48"NB.

  • Type: slip on flange, blind flange, welded neck flange, threaded flange, lapped joint flange(loose flange), socket welded flange, Orifice Flanges, long welded neck flange
  • Material: Carbon steel: A105,SS400,SF440 RST37.2,S235JRG2,P250GH,C22.8, Stainless Steel: F304 F304L F316 F316L 316Ti, Copper etc.
  • Standard: ANSI,JIS,DIN,BS4504,SABS1123,EN1092-1, UNI,AS2129,GOST-12820
  • Size: 1/2-60 inch (DN15-DN2000)
  • Pressure: ANSI class 150,300,600,1500,2500, DIN PN6,PN10,PN16,PN25,PN40,PN64,PN100,PN160
  • Packing: No Fumigate or Fumigate Plywood/Wood Pallet or Case
  • Surface Treatment: Anti-rust Oil, Transparent/Yellow/Black Anti-rust Paint,Zinc,Hot dipped Galvanized.
  • E-catalogue: Available , please visit catalogue of flange
  • Usage: Oil Field, Offshore, Water System, Shipbuilding, Natural Gas, Electric Power, Pipe Projects etc

Manufacturing Standards Of SABS / SANS 1123 Flangess :

Stainless Steel SABS / SANS 1123 Flanges : 
ASTM A 182, A 240 F 304, 304L, 304H, 316, 316L, 316Ti, 310, 310S, 321, 321H, 317, 347, 347H, 904L

Duplex & Super Duplex Steel SABS / SANS 1123 Flanges : 
ASTM / ASME A/SA 182 F 44, F 45, F51, F 53, F 55, F 60, F 61

Carbon Steel SABS / SANS 1123 Flanges : 
ASTM / ASME A/SA 105 ASTM / ASME A 350 , ASTM A 181 LF 2 / A516 Gr.70 A36, A694 F42, F46, F52, F60, F65, F706

Low Temperature Carbon Steel SABS / SANS 1123 Flanges : ASTM A350, LF2, LF3

Alloy Steel SABS / SANS 1123 Flanges : 
ASTM / ASME A/SA 182 & A 387 F1, F5, F9, F11, F12, F22, F91

Copper Alloy Steel SABS / SANS 1123 Flanges : ASTM SB 61 , SB62 , SB151 , SB152 UNS No. C 70600 (Cu-Ni 90/10), C 71500 (Cu-Ni 70/30), UNS No. C 10100, 10200, 10300, 10800, 12000, 12200

Nickel Alloy SABS / SANS 1123 Flanges : 
ASTM SB564, SB160, SB472, SB162 Nickel 200 (UNS No. N02200), Nickel 201 (UNS No. N02201), Monel 400 (UNS No. N04400), Monel 500 (UNS No. N05500), Inconel 800 (UNS No. N08800), Inconel 825 (UNS No. N08825), Inconel 600 (UNS No. N06600), Inconel 625 (UNS No. N06625), Inconel 601 (UNS No. N06601), Hastelloy C 276 (UNS No. N10276), Alloy 20 (UNS No. N08020)


Types Of SABS / SANS 1123 Flanges :
SABS / SANS 1123 Forged Flanges SABS / SANS 1123 High Hub Blinds Flanges
SABS / SANS 1123 Blind Flanges SABS / SANS 1123 Spectacle Blinds Flanges
SABS / SANS 1123 Reducing Flanges SABS / SANS 1123 Loose Flanges
SABS / SANS 1123 Orifice Flanges SABS / SANS 1123 RTJ Flanges
SABS / SANS 1123 Socket Weld Flanges SABS / SANS 1123 Screwed Flanges
SABS / SANS 1123 Slip On Flanges SABS / SANS 1123 Weld Neck Flanges
SABS / SANS 1123 Flat Flanges SABS / SANS 1123 Flange Facing Type & Finish
SABS / SANS 1123 Lapped Joint Flanges SABS / SANS 1123 SORF Flanges
SABS / SANS 1123 SWRF Flanges SABS / SANS 1123 Groove & Tongue Flanges
SABS / SANS 1123 Square Flanges SABS / SANS 1123 Long Neck Weld Flanges
SABS / SANS 1123 Threaded Flanges SABS / SANS 1123 Spades Ring Spacers Flanges
SABS / SANS 1123 Weld Neck Flanges Series A or B SABS / SANS 1123 Ring Type Joint Flanges
SABS / SANS 1123 WNRF Flanges SABS / SANS 1123 Weldo / Nipo Flanges
SABS / SANS 1123 Expander Flanges  

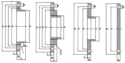
SABS / SANS 1123 Flange Dimensional :

Dimensions & Masses SABS/SANS 1123 FLANGE :

SOUTH AFRICA STANDARD SABS/SANS 1123 FLANGE SPECIFICATION

Nominal Bore 15 Flange Diameter PCD Bolts Boltsize Hole Size Thickness
SABS1123-600/3 80mm 55mm 4 M10 11mm 10mm
SABS1123-1000/3 95mm 65mm 4 M12 14mm 10mm
SABS1123-1600/3 95mm 65mm 4 M12 14mm 10mm
SABS1123-2500/3 95mm 65mm 4 M12 14mm 14mm
SABS1123-4000/3 95mm 65mm 4 M12 14mm 14mm
Nominal Bore 20 Flange Diameter PCD Bolts Boltsize Hole Size Thickness
SABS1123-600 90mm 65mm 4 M10 11mm 10mm
SABS1123-1000 105mm 75mm 4 M12 14mm 10mm
SABS1123-1600 105mm 75mm 4 M12 14mm 10mm
SABS1123-2500 105mm 75mm 4 M12 14mm 14mm
SABS1123-4000 105mm 75mm 4 M12 14mm 14mm
Nominal Bore 25 Flange Diameter PCD Bolts Boltsize Hole Size Thickness
SABS1123-600 100mm 75mm 4 M10 11mm 10mm
SABS1123-1000 115mm 85mm 4 M12 14mm 10mm
SABS1123-1600 115mm 85mm 4 M12 14mm 10mm
SABS1123-2500 115mm 85mm 4 M12 14mm 16mm
SABS1123-4000 115mm 85mm 4 M12 14mm 16mm
Nominal Bore 32 Flange Diameter PCD Bolts Boltsize Hole Size Thickness
SABS1123-600 120mm 90mm 4 M12 14mm 10mm
SABS1123-1000 140mm 100mm 4 M16 18mm 10mm
SABS1123-1600 140mm 100mm 4 M16 18mm 10mm
SABS1123-2500 140mm 100mm 4 M16 18mm 18mm
SABS1123-4000 140mm 100mm 4 M16 18mm 18mm
Nominal Bore 40 Flange Diameter PCD Bolts Boltsize Hole Size Thickness
SABS1123-600 130mm 100mm 4 M12 14mm 10mm
SABS1123-1000 150mm 110mm 4 M16 18mm 10mm
SABS1123-1600 150mm 110mm 4 M16 18mm 10mm
SABS1123-2500 150mm 110mm 4 M16 18mm 20mm
SABS1123-4000 150mm 110mm 4 M16 18mm 20mm
Nominal Bore 50 Flange Diameter PCD Bolts Boltsize Hole Size Thickness
SABS1123-600 140mm 110mm 4 M12 14mm 10mm
SABS1123-1000 165mm 125mm 4 M16 18mm 10mm
SABS1123-1600 165mm 125mm 4 M16 18mm 12mm
SABS1123-2500 165mm 125mm 4 M16 18mm 20mm
SABS1123-4000 165mm 125mm 4 M16 18mm 20mm
Nominal Bore 65 Flange Diameter PCD Bolts Boltsize Hole Size Thickness
SABS1123-600 160mm 130mm 4 M12 14mm 10mm
SABS1123-1000 185mm 145mm 4 M16 18mm 12mm
SABS1123-1600 185mm 145mm 4 M16 18mm 12mm
SABS1123-2500 185mm 145mm 8 M16 18mm 22mm
SABS1123-4000 185mm 145mm 8 M16 18mm 22mm
Nominal Bore 80 Flange Diameter PCD Bolts Boltsize Hole Size Thickness
SABS1123-600 190mm 150mm 4 M16 18mm 10mm
SABS1123-1000 200mm 160mm 8 M16 18mm 12mm
SABS1123-1600 200mm 160mm 8 M16 18mm 14mm
SABS1123-2500 200mm 160mm 8 M16 18mm 22mm
SABS1123-4000 200mm 160mm 8 M16 18mm 22mm

Nominal Bore100 Flange Diameter PCD Bolts Boltsize Hole Size Thickness
SABS1123-600 210mm 170mm 4 M16 18mm 10mm
SABS1123-1000 220mm 180mm 8 M16 18mm 12mm
SABS1123-1600 220mm 180mm 8 M16 18mm 14mm
SABS1123-2500 235mm 190mm 8 M20 22mm 25mm
SABS1123-4000 235mm 190mm 8 M20 22mm 25mm
Nominal Bore150 Flange Diameter PCD Bolts Boltsize Hole Size Thickness
SABS1123-600 240mm 200mm 8 M16 18mm 12mm
SABS1123-1000 250mm 210mm 8 M16 18mm 14mm
SABS1123-1600 250mm 210mm 8 M16 18mm 16mm
SABS1123-2500 270mm 220mm 8 M24 26mm 28mm
SABS1123-4000 270mm 220mm 8 M24 26mm 28mm
Nominal Bore200 Flange Diameter PCD Bolts Boltsize Hole Size Thickness
SABS1123-600 265mm 225mm 8 M16 18mm 12mm
SABS1123-1000 285mm 240mm 8 M20 22mm 16mm
SABS1123-1600 285mm 240mm 8 M20 22mm 18mm
SABS1123-2500 300mm 250mm 8 M24 26mm 30mm
SABS1123-4000 300mm 250mm 8 M24 26mm 30mm
Nominal Bore250 Flange Diameter PCD Bolts Boltsize Hole Size Thickness
SABS1123-600 320mm 280mm 8 M16 18mm 14mm
SABS1123-1000 340mm 295mm 8 M20 22mm 18mm
SABS1123-1600 340mm 295mm 12 M20 22mm 22mm
SABS1123-2500 360mm 310mm 12 M24 26mm 28mm
SABS1123-4000 375mm 320mm 12 M24 26mm 32mm
Nominal Bore300 Flange Diameter PCD Bolts Boltsize Hole Size Thickness
SABS1123-600 375mm 335mm 12 M16 18mm 16mm
SABS1123-1000 395mm 350mm 12 M20 22mm 20mm
SABS1123-1600 405mm 355mm 12 M24 26mm 25mm
SABS1123-2500 425mm 370mm 12 M24 26mm 30mm
SABS1123-4000 450mm 385mm 12 M30 33mm 38mm
Nominal Bore500 Flange Diameter PCD Bolts Boltsize Hole Size Thickness
SABS1123-600 645mm 600mm 20 M20 22mm 25mm
SABS1123-1000 670mm 620mm 20 M24 26mm 32mm
SABS1123-1600 715mm 650mm 20 M30 33mm 40mm
SABS1123-2500 730mm 660mm 20 M30 33mm 50mm
SABS1123-4000 755mm 670mm 20 M39 39mm 70mm

Backing Ring Flange Dimensions

SABS 1123 T1000/3 BACKING RING FLANGE
BS T/D BACKING RING FLANGE

Dimensions & Masses of Backing Ring Flange for HDPE

SABS 1123 T1000/3 BACKING RING FLANGE WITH HOT DIPPED GALVANIZED FOR HDPE PIPE
Pipe OD
ID
OD
Thickness
PCD
No Holes
Hole ID
Weight
Radius
mm
mm
mm
mm
mm
mm
KG
mm
40
 
140
10
100
4
18
 
50
 
150
10
110
4
18
 
63
 
165
12
125
4
18
 
75
 
185
12
145
4
18
 
90
 
200
12
160
8
18
 
110
 
220
12
180
8
18
 
125
 
220
12
180
8
18
 
140
 
250
14
210
8
18
 
160
 
285
16
240
8
22
 
180
 
285
16
240
8
22
 
200
 
340
18
295
8
22
 
225
 
340
18
295
8
22
 
250
 
395
18
350
12
22
 
280
 
395
20
350
12
22
 
315
 
445
22
400
12
22
 
355
 
505
25
460
16
22
 
400
 
565
25
515
16
26
 
450
 
615
30
565
20
26
 
500
 
670
30
620
20
26
 
560
 
730
35
675
20
26
 
630
 
835
36
780
20
26
 
BS T/D BACKING RING FLANGE WITH HOT DIPPD GALVANIZED FOR HDPE PIPE
Pipe OD
ID
OD
Thickness
PCD
No Holes
Hole ID
Weight
Radius
mm
mm
mm
mm
mm
mm
KG
mm
40
 
120
6
87.3
4
14
 
50
 
133.4
6
98.4
4
14
 
63
 
152.4
8
114.3
4
18
 
75
 
165.1
8
127
4
18
 
90
 
184.1
10
146
4
18
 
110
 
215.9
10
177.8
4
18
 
125
 
215.9
10
177.8
4
18
 
125 PVC
 
250
13
209.6
8
18
 
140
 
250
13
209.6
8
18
 
160
 
279.4
13
235
8
18
 
180
 
279.4
13
235
8
18
 
200
 
336.6
13
292.1
8
18
 
225
 
336.6
13
292.1
8
18
 
250
 
406.4
16
355.6
8
22
 
280
 
406.4
16
355.6
8
22
 
315
 
457.2
20
406.4
12
22
 
355
 
527.1
22
469.9
12
26
 
400
 
577.9
22
520.7
12
26
 
450
 
641.4
25
584.2
12
26
 
500
 
705
29
641.4
16
26
 
560
 
825.5
30
755.7
16
26
 
630
 
825.5
32
755.7
16
26
 

SABS 1123 Class 600 Flange Dimensions

  • WN Flange: T600/2, T1000/2, T1600/2, T2500/2, T4000/2
  • Slip on Flange: T600/5, T1000/5, T1600/5, T2500/5, T4000/5
  • Plate Flange: T600/3, T1000/3, T1600/3, T2500/3, T4000/3
  • Blind Flange: T600/8, T1000/8, T1600/8, T2500/8, T4000/8
  • Threaded Flange: T600/4, T1600/4
  • Backing Ring Flange with Hot Dipped Galvanized

Dimensions & Masses SABS 1123 Flange Class 600kPa

SOUTH AFRICA STANDARD SABS/SANS 1123 FLANGE CLASS 600KPA SPECIFICATION

Nominal pressure 600 kPa     600/2 = Table 4    600/4 = Table 6    600/3 = Table 5    600/8 = Table 8
NB
Pipe O.D.
d1
Flange
Raised Face
Bolt
Drilling
Neck
Boss
D
b
b1
b2
b3
h  
h1
d4
f
No.
d2
k
d3
h2
r
d5
10
17.2
75
8
10
8
10
16
28
35
2
M10 
4
11
50
26
6
4
25
15
21.3
80
8
10
8
10
16
30
40
2
M10 
4
11
55
30
6
4
30
20
26.9
90
8
10
8
10
18
32
50
2
M10 
4
11
65
38
6
4
40
25
33.7
100
8
10
8
10
18
35
60
2
M10 
4
11
75
42
6
4
50
32
42.4
120
8
10
8
10
20
35
70
2
M12 
4
14
90
55
6
6
60
40
48.3
130
8
10
8
10
20
38
80
3
M12 
4
14
100
62
7
6
70
50
60.3
140
8
10
8
10
22
38
90
3
M12 
4
14
110
74
8
6
80
65
76.1
160
8
10
8
10
26
38
110
3
M12 
4
14
130
88
9
6
100
80
88.9
190
10
10
10
10
28
42
128
3
M16 
4
18
150
102
10
8
110
100
114.3
210
10
10
10
10
34
45
148
3
M16 
4
18
170
130
10
8
130
*125 
139.7
240
13
12
13
12
39
48
178
3
M16 
8
18
200
155
10
8
160
150
168.3
265
13
12
13
12
39
48
202
3
M16 
8
18
225
184
12
10
185
*175 
193.7
295
13
14
-
14
-
52
230
3
M16 
8
18
255
210
12
10
-
200
219.1
320
13
14
-
14
-
55
258
3
M16 
8
18
280
236
15
10
-
*225 
244.5
345
16
16
-
16
-
58
285
3
M16 
8
18
305
264
15
12
-
250
273
375
16
16
-
16
-
60
312
3
M16 
12
18
335
290
15
12
-
300
323.9
440
20
20
-
20
-
62
365
4
M20 
12
22
395
342
15
12
-
350
355.6
490
22
22
-
22
-
62
415
4
M20 
12
22
445
385
15
12
-
400
406.4
540
22
22
-
22
-
65
465
4
M20 
16
22
495
438
15
12
-
450
457.2
595
24
25
-
25
-
65
520
4
M20 
16
22
550
492
15
12
-
500
508
645
24
25
-
25
-
68
570
4
M20 
20
22
600
538
15
12
-
550
559
705
24
28
-
28
-
68
620
5
M24 
20
26
655
590
16
12
-
600
609.6
755
24
30
-
30
-
70
670
5
M24 
20
26
705
640
16
12
-
* NP = Nominal Pressure 600kPa, 1000kPa, 1600kPa, 2500kPa, 4000kPa

SABS 1123 Class 1000 Flange Dimensions

SOUTH AFRICA STANDARD SABS/SANS 1123 FLANGE CLASS 1000KPA SPECIFICATION

Nominal pressure 1000 kPa   1000/2 = Table 9    1000/4 = Table 11    1000/3 = Table 10    1000/8 = Table 13
NB
Pipe O.D.
d1
Flange
Raised Face
Bolt
Drilling
Neck
Boss
 
D  
 
b  
 
b1  
 
b2  
 
b3  
 
h  
 
h1  
 
d4  
 
f  
 
No.  
 
d2  
 
k  
 
d3  
 
h2  
 
r  
 
d5  
 10  
 17.2  
 90  
 8  
 10  
 8  
 10  
 14  
 35  
 40  
 2  
 M12  
 4  
 14  
 60  
 28  
 6  
 4  
 30  
 15  
 21.3  
 95  
 8  
 10  
 8  
 10  
 14  
 35  
 45  
 2  
 M12  
 4  
 14  
 65  
 32  
 6  
 4  
 35  
 20  
 26.9  
 105  
 8  
 10  
 8  
 10  
 16  
 38  
 58  
 2  
 M12  
 4  
 14  
 75  
 40  
 6  
 4  
 45  
 25  
 33.7  
 115  
 8  
 10  
 8  
 10  
 16  
 38  
 68  
 2  
 M12  
 4  
 14  
 85  
 46  
 6  
 4  
 52  
 32  
 42.4  
 140  
 10  
 10  
 10  
 10  
 20  
 40  
 78  
 2  
 M16  
 4  
 18  
 100  
 56  
 6  
 6  
 60  
 40  
 48.3  
 150  
 10  
 10  
 10  
 10  
 20  
 42  
 88  
 3  
 M16  
 4  
 18  
 110  
 64  
 7  
 6  
 70  
 50  
 60.3  
 165  
 12  
 10  
 10  
 12  
 20  
 45  
 102  
 3  
 M16  
 4  
 18  
 125  
 75  
 8  
 6  
 85  
 65  
 76.1  
 185  
 12  
 12  
 12  
 12  
 26  
 45  
 122  
 3  
 M16  
 4  
 18  
 145  
 90  
 10  
 6  
 105  
 80  
 88.9  
 200  
 14  
 12  
 12  
 14  
 26  
 50  
 138  
 3  
 M16  
 8  
 18  
 160  
 105  
 10  
 8  
 118  
 100  
 114.3  
 220  
 14  
 12  
 12  
 14  
 32  
 52  
 158  
 3  
 M16  
 8  
 18  
 180  
 131  
 12  
 8  
 140  
 *125  
 139.7  
 250  
 16  
 14  
 14  
 16  
 36  
 55  
 188  
 3  
 M16  
 8  
 18  
 210  
 156  
 12  
 8  
 168  
 150  
 168.3  
 285  
 18  
 16  
 16  
 18  
 38  
 55  
 212  
 3  
 M20  
 8  
 22  
 240  
 184  
 12  
 10  
 195  
 *175  
 193.7  
 315  
 18  
 16  
 – 
 18  
 – 
 60  
 242  
 3  
 M20  
 8  
 22  
 270  
 210  
 12  
 10  
 – 
 200  
 219.1  
 340  
 18  
 18  
 – 
 18  
 – 
 62  
 268  
 3  
 M20  
 8  
 22  
 295  
 235  
 16  
 10  
 – 
 *225  
 244.5  
 370  
 18  
 18  
 – 
 18  
 – 
 62  
 290  
 3  
 M20  
 8  
 22  
 325  
 265  
 16  
 10  
 – 
 250  
 273.0  
 395  
 20  
 20  
 – 
 20  
 – 
 68  
 320  
 3  
 M20  
 12  
 22  
 350  
 292  
 16  
 12  
 – 
 300  
 323.9  
 445  
 22  
 22  
 – 
 22  
 – 
 68  
 370  
 4  
 M20  
 12  
 22  
 400  
 344  
 16  
 12  
 – 
 350  
 355.6  
 505  
 26  
 25  
 – 
 25  
 – 
 68  
 430  
 4  
 M20  
 16  
 22  
 460  
 385  
 16  
 12  
 – 
 400  
 406.4  
 565  
 26  
 25  
 – 
 25  
 – 
 72  
 482  
 4  
 M24  
 16  
 26  
 515  
 400  
 16  
 12  
 – 
 450  
 457.2  
 615  
 28  
 30  
 – 
 30  
 – 
 72  
 532  
 4  
 M24  
 20  
 26  
 565  
 492  
 16  
 12  
 – 
 500  
 508.0  
 670  
 28  
 32  
 – 
 32  
 – 
 75  
 585  
 4  
 M24  
 20  
 26  
 620  
 542  
 16  
 12  
 – 
 550  
 559.0  
 730  
 28  
 35  
 – 
 35  
 – 
 80  
 635  
 5  
 M24  
 20  
 26  
 675  
 592  
 18  
 12  
 – 
 600  
 609.6  
 780  
 28  
 38  
 – 
 38  
 – 
 80  
 685  
 5  
 M24  
 20  
 26  
 725  
 642  
 18  
 12  
 – 
* NP = Nominal Pressure 600kPa, 1000kPa, 1600kPa, 2500kPa, 4000kPa

SABS 1123 Class 1600 Flange Dimensions

SOUTH AFRICA STANDARD SABS/SANS 1123 FLANGE CLASS 1600KPA SPECIFICATION

Nominal pressure 1600 kPa     1600/2 = Table 14     1600/4 = Table 16     1600/3 = Table 15      1600/8 = Table 18
NB
Pipe O.D.
d1
Flange
Raised Face
Bolt
Drilling
Neck
Boss
 
D  
 
b  
 
b1  
 
b2  
 
b3  
 
h  
 
h1  
 
d4  
 
f  
 
No.  
 
d2  
 
k  
 
d3  
 
h2  
 
r  
 
d5  
 10  
 17.2  
 90  
 8  
 10  
 8  
 10  
 14  
 35  
 40  
 2  
 M12  
 4  
 14  
 60  
 28  
 6  
 4  
 30  
 15  
 21.3  
 95  
 8  
 10  
 8  
 10  
 14  
 35  
 45  
 2  
 M12  
 4  
 14  
 65  
 32  
 6  
 4  
 35  
 20  
 26.9  
 105  
 8  
 10  
 8  
 10  
 16  
 38  
 58  
 2  
 M12  
 4  
 14  
 75  
 40  
 6  
 4  
 45  
 25  
 33.7  
 115  
 8  
 10  
 8  
 10  
 16  
 38  
 68  
 2  
 M12  
 4  
 14  
 85  
 46  
 6  
 4  
 52  
 32  
 42.4  
 140  
 10  
 10  
 10  
 10  
 20  
 40  
 78  
 2  
 M16  
 4  
 18  
 100  
 56  
 6  
 6  
 60  
 40  
 48.3  
 150  
 10  
 10  
 10  
 10  
 20  
 42  
 88  
 3  
 M16  
 4  
 18  
 110  
 64  
 7  
 6  
 70  
 50  
 60.3  
 165  
 12  
 12  
 12  
 12  
 22  
 45  
 102  
 3  
 M16  
 4  
 18  
 125  
 75  
 8  
 6  
 85  
 65  
 76.1  
 185  
 12  
 12  
 12  
 12  
 26  
 45  
 122  
 3  
 M16  
 4  
 18  
 145  
 90  
 10  
 6  
 105  
 80  
 88.9  
 200  
 14  
 14  
 14  
 14  
 28  
 50  
 138  
 3  
 M16  
 8  
 18  
 160  
 105  
 10  
 8  
 118  
 100  
 114.3  
 220  
 14  
 14  
 14  
 14  
 34  
 52  
 158  
 3  
 M16  
 8  
 18  
 180  
 131  
 12  
 8  
 140  
 *125  
 139.7  
 250  
 16  
 16  
 16  
 16  
 38  
 55  
 188  
 3  
 M16  
 8  
 18  
 210  
 156  
 12  
 8  
 168  
 150  
 168.3  
 285  
 18  
 18  
 18  
 18  
 40  
 55  
 212  
 3  
 M20  
 8  
 22  
 240  
 184  
 12  
 10  
 195  
 *175  
 193.7  
 315  
 20  
 20  
 – 
 20  
 – 
 60  
 242  
 3  
 M20  
 8  
 22  
 270  
 210  
 12  
 10  
 – 
 200  
 219.1  
 340  
 22  
 22  
 – 
 22  
 – 
 62  
 268  
 3  
 M20  
 12  
 22  
 295  
 235  
 16  
 10  
 – 
 *225  
 244.5  
 370  
 24  
 22  
 – 
 22  
 – 
 66  
 294  
 3  
 M20  
 12  
 22  
 325  
 265  
 16  
 10  
 – 
 250  
 273.0  
 405  
 24  
 25  
 – 
 25  
 – 
 70  
 320  
 3  
 M24  
 12  
 26  
 355  
 292  
 16  
 12  
 – 
 300  
 323.9  
 460  
 28  
 28  
 – 
 28  
 – 
 78  
 378  
 4  
 M24  
 12  
 26  
 410  
 344  
 16  
 12  
 – 
 350  
 355.6  
 520  
 30  
 30  
 – 
 30  
 – 
 82  
 438  
 4  
 M24  
 16  
 26  
 470  
 390  
 16  
 12  
 – 
 400  
 406.4  
 580  
 32  
 35  
 – 
 35  
 – 
 85  
 490  
 4  
 M24  
 16  
 26  
 525  
 445  
 16  
 12  
 – 
 450  
 457.2  
 640  
 34  
 40  
 – 
 40  
 – 
 87  
 550  
 4  
 M24  
 20  
 26  
 585  
 496  
 16  
 12  
 – 
 500  
 508.0  
 715  
 34  
 40  
 – 
 40  
 – 
 90  
 610  
 4  
 M30  
 20  
 33  
 650  
 548  
 16  
 12  
 – 
 550  
 559.0  
 775  
 36  
 – 
 – 
 – 
 – 
 95  
 670  
 5  
 M30  
 20  
 33  
 710  
 600  
 18  
 12  
 – 
 600  
 609.6  
 840  
 36  
 50  
 – 
 – 
 – 
 95  
 725  
 5  
 M30  
 20  
 33  
 770  
 652  
 18  
 12  
 – 
* NP = Nominal Pressure 600kPa, 1000kPa, 1600kPa, 2500kPa, 4000kPa

SABS 1123 Class 2500 Flange Dimensions

Dimensions & Masses SABS 1123 Flange Class 2500kPa

SOUTH AFRICA STANDARD SABS/SANS 1123 FLANGE CLASS 2500KPA SPECIFICATION

Nominal pressure 2500 kPa     2500/2 = Table 19     2500/4 = Table 21     2500/3 = Table 20      2500/8 = Table 23
NB
Pipe O.D.
d1
Flange
Raised Face
Bolt
Drilling
Neck
Boss
 
D  
 
b  
 
b1  
 
b2  
 
b3  
 
h  
 
h1  
 
d4  
 
f  
 
No.  
 
d2  
 
k  
 
d3  
 
h2  
 
r  
 
d5  
 10  
 17.2  
 90  
 12  
 12  
 10  
 12  
 16  
 35  
 40  
 2  
 M12  
 4  
 14  
 60  
 28  
 6  
 4  
 30  
 15  
 21.3  
 95  
 14  
 14  
 11  
 14  
 17  
 38  
 45  
 2  
 M12  
 4  
 14  
 65  
 32  
 6  
 4  
 35  
 20  
 26.9  
 105  
 14  
 14  
 11  
 14  
 19  
 40  
 58  
 2  
 M12  
 4  
 14  
 75  
 40  
 6  
 4  
 45  
 25  
 33.7  
 115  
 16  
 16  
 12  
 16  
 22  
 40  
 68  
 2  
 M12  
 4  
 14  
 85  
 46  
 6  
 4  
 52  
 32  
 42.4  
 140  
 18  
 18  
 14  
 18  
 26  
 42  
 78  
 2  
 M16  
 4  
 18  
 100  
 55  
 6  
 6  
 60  
 40  
 48.3  
 150  
 18  
 20  
 14  
 20  
 28  
 45  
 88  
 3  
 M16  
 4  
 18  
 110  
 64  
 7  
 6  
 70  
 50  
 60.3  
 165  
 20  
 20  
 17  
 20  
 31  
 48  
 102  
 3  
 M16  
 4  
 18  
 125  
 75  
 8  
 6  
 85  
 65  
 76.1  
 185  
 22  
 22  
 17  
 22  
 33  
 52  
 122  
 3  
 M16  
 8  
 18  
 145  
 90  
 10  
 6  
 105  
 80  
 88.9  
 200  
 24  
 22  
 18  
 22  
 34  
 58  
 138  
 3  
 M16  
 8  
 18  
 160  
 105  
 12  
 8  
 118  
 100  
 114.3  
 235  
 24  
 25  
 21  
 25  
 41  
 65  
 162  
 3  
 M20  
 8  
 22  
 190  
 134  
 12  
 8  
 145  
 *125  
 139.7  
 270  
 26  
 28  
 24  
 28  
 46  
 68  
 188  
 3  
 M24  
 8  
 26  
 220  
 162  
 12  
 8  
 170  
 150  
 168.3  
 300  
 28  
 30  
 24  
 30  
 48  
 75  
 218  
 3  
 M24  
 8  
 26  
 250  
 192  
 12  
 10  
 200  
 *175  
 193.7  
 330  
 30  
 30  
 – 
 25  
 – 
 75  
 248  
 3  
 M24  
 12  
 26  
 280  
 218  
 15  
 10  
 – 
 200  
 219.1  
 360  
 30  
 30  
 – 
 30  
 – 
 80  
 278  
 3  
 M24  
 12  
 26  
 310  
 244  
 16  
 10  
 – 
 *225  
 244.5  
 395  
 30  
 30  
 – 
 30  
 – 
 84  
 306  
 3  
 M24  
 12  
 26  
 340  
 270  
 16  
 10  
 – 
 250  
 273.0  
 425  
 30  
 30  
 – 
 30  
 – 
 88  
 335  
 3  
 M24  
 12  
 26  
 370  
 298  
 18  
 12  
 – 
 300  
 323.9  
 485  
 34  
 32  
 – 
 32  
 – 
 92  
 395  
 4  
 M24  
 16  
 26  
 430  
 352  
 18  
 12  
 – 
 350  
 355.6  
 555  
 38  
 35  
 – 
 35  
 – 
 100  
 450  
 4  
 M30  
 16  
 33  
 490  
 398  
 20  
 12  
 – 
 400  
 406.5  
 620  
 40  
 40  
 – 
 40  
 – 
 110  
 505  
 4  
 M30  
 16  
 33  
 550  
 452  
 20  
 12  
 – 
 450  
 457.2  
 670  
 42  
 45  
 – 
 45  
 – 
 110  
 555  
 4  
 M30  
 20  
 33  
 600  
 505  
 20  
 12  
 – 
 500  
 508.0  
 730  
 44  
 50  
 – 
 50  
 – 
 125  
 615  
 4  
 M30  
 20  
 33  
 660  
 558  
 20  
 12  
 – 
 550  
 559.0  
 785  
 – 
 55  
 – 
 – 
 – 
 – 
 670  
 5  
 M36  
 20  
 39  
 710  
 – 
 – 
 – 
 – 
 600  
 609.6  
 845  
 46  
 60  
 – 
 – 
 – 
 125  
 720  
 5  
 M36  
 20  
 39  
 770  
 660  
 20  
 12  
 – 
* NP = Nominal Pressure 600kPa, 1000kPa, 1600kPa, 2500kPa, 4000kPa
Dimensions & Masses SABS 1123 Flange Class 4000kPa

SOUTH AFRICA STANDARD SABS/SANS 1123 FLANGE CLASS 4000KPA SPECIFICATION

Nominal pressure 4000 kPa     4000/2 = Table 24     4000/4 = Table 26     4000/3 = Table 25     4000/8 = Table 28
NB
Pipe O.D.
d1
Flange
Raised Face
Bolt
Drilling
Neck
Boss
 
D  
 
b  
 
b1  
 
b2  
 
b3  
 
h  
 
h1  
 
d4  
 
f  
 
No.  
 
d2  
 
k  
 
d3  
 
h2  
 
r  
 
d5  
 10  
 17.2  
 90  
 12  
 12  
 12  
 12  
 18  
 35  
 40  
 2  
 M12  
 4  
 14  
 60  
 28  
 6  
 4  
 30  
 15  
 21.3  
 95  
 14  
 14  
 14  
 14  
 20  
 38  
 45  
 2  
 M12  
 4  
 14  
 65  
 32  
 6  
 4  
 35  
 20  
 26.9  
 105  
 14  
 14  
 14  
 14  
 22  
 40  
 58  
 2  
 M12  
 4  
 14  
 75  
 40  
 6  
 4  
 45  
 25  
 33.7  
 115  
 16  
 16  
 16  
 16  
 26  
 40  
 68  
 2  
 M12  
 4  
 14  
 85  
 46  
 6  
 4  
 52  
 32  
 42.4  
 140  
 18  
 18  
 18  
 18  
 30  
 42  
 78  
 2  
 M16  
 4  
 18  
 100  
 55  
 6  
 6  
 60  
 40  
 48.3  
 150  
 18  
 20  
 18  
 20  
 32  
 45  
 88  
 3  
 M16  
 4  
 18  
 110  
 64  
 7  
 6  
 70  
 50  
 60.3  
 165  
 20  
 20  
 20  
 20  
 34  
 48  
 102  
 3  
 M16  
 4  
 18  
 125  
 75  
 8  
 6  
 85  
 65  
 76.1  
 185  
 22  
 22  
 22  
 22  
 38  
 52  
 122  
 3  
 M16  
 8  
 18  
 145  
 90  
 10  
 6  
 105  
 80  
 88.9  
 200  
 24  
 22  
 24  
 22  
 40  
 58  
 138  
 3  
 M16  
 8  
 18  
 160  
 105  
 12  
 8  
 118  
 100  
 114.3  
 235  
 24  
 25  
 24  
 25  
 44  
 65  
 162  
 3  
 M20  
 8  
 22  
 190  
 134  
 12  
 8  
 145  
 *125  
 139.7  
 270  
 26  
 28  
 26  
 28  
 48  
 68  
 188  
 3  
 M24  
 8  
 26  
 220  
 162  
 12  
 8  
 170  
 150  
 168.3  
 300  
 28  
 30  
 28  
 30  
 52  
 75  
 218  
 3  
 M24  
 8  
 26  
 250  
 192  
 12  
 10  
 200  
 *175  
 193.7  
 350  
 32  
 32  
 – 
 32  
 – 
 82  
 260  
 3  
 M24  
 12  
 26  
 295  
 218  
 15  
 10  
 – 
 200  
 219.1  
 375  
 34  
 32  
 – 
 32  
 – 
 88  
 285  
 3  
 M24  
 12  
 26  
 320  
 244  
 16  
 10  
 – 
 *225  
 244.5  
 420  
 36  
 35  
 – 
 35  
 – 
 100  
 315  
 3  
 M30  
 12  
 33  
 355  
 275  
 18  
 12  
 – 
 250  
 273.0  
 450  
 38  
 38  
 – 
 38  
 – 
 105  
 345  
 3  
 M30  
 12  
 33  
 385  
 306  
 18  
 12  
 – 
 300  
 323.9  
 515  
 42  
 40  
 – 
 40  
 – 
 115  
 410  
 4  
 M30  
 16  
 33  
 450  
 362  
 18  
 12  
 – 
 350  
 355.6  
 580  
 46  
 45  
 – 
 45  
 – 
 125  
 465  
 4  
 M30  
 16  
 33  
 510  
 408  
 20  
 12  
 – 
 400  
 406.4  
 660  
 50  
 50  
 – 
 50  
 – 
 135  
 535  
 4  
 M36  
 16  
 39  
 585  
 462  
 20  
 12  
 – 
 450  
 457.2  
 685  
 52  
 60  
 – 
 60  
 – 
 140  
 575  
 4  
 M36  
 20  
 39  
 610  
 510  
 20  
 12  
 – 
 500  
 508.0  
 755  
 52  
 70  
 – 
 70  
 – 
 140  
 615  
 4  
 M36  
 20  
 39  
 670  
 562  
 20  
 12  
 – 
 550  
 – 
 – 
 – 
 – 
 – 
 – 
 – 
 – 
 – 
 – 
 – 
 – 
 – 
 – 
 – 
 – 
 – 
 – 
 600  
 – 
 – 
 – 
 – 
 – 
 – 
 – 
 – 
 – 
 – 
 – 
 – 
 – 
 – 
 – 
 – 
 – 
 – 
* NP = Nominal Pressure 600kPa, 1000kPa, 1600kPa, 2500kPa, 4000kPa

SABS / SANS 1123 Flanges Application :
  • SABS / SANS 1123 Flanges uses in Oil and Gas Pipeline
  • SABS / SANS 1123 Flanges uses in Chemical Industry
  • SABS / SANS 1123 Flanges uses in Plumbing
  • SABS / SANS 1123 Flanges uses in Oil & Gas Industry
  • SABS / SANS 1123 Flanges uses in Water Supply Systems
  • SABS / SANS 1123 Flanges uses in Paper & Pulp Industry
  • SABS / SANS 1123 Flanges uses in Power Plant
  • SABS / SANS 1123 Flanges uses in Fabrication Industry
  • SABS / SANS 1123 Flanges uses in General purpose applications
  • SABS / SANS 1123 Flanges uses in Food Processing Industry
  • SABS / SANS 1123 Flanges uses in Structural Pipe
  • SABS / SANS 1123 Flanges uses in Heat Exchangers